设为首页 加入收藏 联系我们
欢迎光临无锡赛莱迪仪表有限公司官方网站!
 
产品目录
 
+
压力变送器、传感器系列
+
液位变送器、控制器系列
+
温度传感器、变送器系列
+
压力仪表系列
+
温度计系列
+
数显仪表系列
+
流量仪表
 
联系我们

地址:无锡北塘区凤翔北路33-6号
电话:0510-85886598 82328671
销售QQ:2905045712  
技术QQ:1870947388
销售经理QQ:2468412893
销售经理手机:
15861670938
常州分公司电话:0519-88197617
传真:0510-85886598 82328671
技术服务:13961787023
邮箱:13961787023@163.com
网址:www.wxsldyb.com
 
产品中心
 
耐震不锈钢电接点压力表

耐震不锈钢电接点压力表

YNDC100系列 YNDC150系列

 

 

  适用于环境振动,介质冲击,脉动工业自动化现场控制系统压力信号的采集、控制、报警。大功率型提高了触电容量,延长了使用寿命。不锈钢型可测量腐蚀性介质.
仪表外径:100 150
量程:-0.1~0~250MPa
精度:1.6                      触头功率:1-5A/12-220VAC/DC
工作电压:380VAC

Y(N)XC-系列(耐震)电接点压力表
 YXC系列磁助式电接点压力表采用了磁力作用的电接点装置,具有额定功率大、发信可靠、接点寿命长等优点,有
一定的抗介质脉动和环境振动性能。
   YNXC系列产品在YXC产品的基础上,依靠充填阻尼液、装置阻尼管、阻尼片、阻尼螺钉等措施,显著提高了抗介质脉动和环境振动性能,延长了产品使用寿命。其抗振动结构可有效抑制指针的抖动、冲击,保护接点,使仪表指示清晰,电信号切换可靠,工作稳定。
   YNXC-BF系列耐震耐腐蚀电接点压力表,因全部零部件采用不绣钢材料制作,所以既可检测腐蚀性较强介质的压力,又能正确发信,实现自动控制。 

 
产品功能及主要技术参数

名称 
型号 
测量范围 
度等级
允许介质工作温度
接头螺纹
指示
设定值
接通
断开
磁助式电接点压力表 
YXC-l00/150
0~0.16至60及 
-0.1~0.06至2.4

0~0.16 to 60 and
-0.1~0.06 to 2.4
 
1.6
 
 
1.6
 
4
-40~70℃
M20×1.5
(※G3/8)
  
  (※Gl/2)
耐震磁助式电接点压力表
YNXC-l00/150
5
 
-25~55℃
全不锈钢电接点压力表
YXC-100BF/150
0~0.16至60及 
-0.1~0.06至2.4

0~0.16 t0 60 and
-0.1~0.06 t0 2.4
4
全不锈钢耐震电接点压力表 
YNXC-100BF/150
5
注: ①标有“※”的型号应定制,②属测量范围以外的标度须特制。③隔离式的软管长度为1.2.3.4.6.8.M(其中2M为优先长度)。④工作环境振动频率不大于25Hz,振幅不大于0.5mm。⑤YXNC系列防护等级: IP64。如配防水接线盒可达IP65,但需定制。
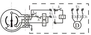
接线示意图及触头参数

1.触头功率——30VA(阻性负载)

2.工作电压——DC·220V或AC·380V
  安全工作电压:DC·24V

3.工作电流——1A,安全工作电流:0·1A
接线颜色:1.黄 2.蓝 3.红 4.接地
 
 
 
YXC磁助式电接点压力表外形尺寸
 

型号
外形尺寸
A
B
H
C
D
D1
D2
d
d0
E
M
YXC-l00—Ⅰ
41
42
35
18
98

89



20 ×1.5
YXC-l00—IV
42
42
35
30
98

89



20 ×1.5
YXC-l00—Ⅲ
42
37
40
30
98
132
89
118
6
1.2
20 ×1.5
YXC-l50—Ⅰ
4l
47
34
17
148

138



20 ×1.5
YXC-l50—IV
42
47
34
30
148

138



20 ×1.5
YXC-l50—Ⅲ
42
40
41
30
148
181
138
165
6
2
20 ×1.5
 
YNXC耐震电接点压力表外形尺寸

型号
外形尺寸
(Type)
A
B
H
C
D
D1
D2
d
d0
E
M
YNXC-l00—Ⅰ
45
32
34
16
100
110
95


15
20 ×1.5
YNXC-l00—Ⅲ
43
26
34
34
100
132
95
118
6
21
20 ×1.5
YNXC-l50—Ⅰ
50
34
25
17
150
162
141


18
20 ×1.5
YNXC-l50—Ⅲ
50
28
25
53
150
183
141
165
6
23
20 ×1.5
 
注:耐腐蚀型(—BF)外形尺寸与YXNC相同。
购买压力表提供压力表技术参数如下:
1.【压力表使用】2.【压力表量程】3.【压力表直径】4.【压力表精度】5.【压力表连接螺纹】6.【压力表型号】
如有问题可以联系赛莱迪仪表技术部电话0510-85886598
 
上一页:耐震电接点压力表
下一页:磁敏电接点压力表
    
 
版权所有 © 2013无锡赛莱迪仪表有限公司 电话:0510-85886598 82328671 传真:0510-85886598 82328671
常州分公司电话:0519-88197617 联系人:技术服务 13961787023  苏ICP备13011264号-1
地址:无锡市北塘区凤翔北路33-6号 邮箱:13961787023@163.com
技术QQ:1870947388 销售QQ:2905045712  销售经理QQ:2468412893 手机:15861670938
网址:www.wxsldyb.com