设为首页 加入收藏 联系我们
欢迎光临无锡赛莱迪仪表有限公司官方网站!
 
产品目录
 
+
压力变送器、传感器系列
+
液位变送器、控制器系列
+
温度传感器、变送器系列
+
压力仪表系列
+
温度计系列
+
数显仪表系列
+
流量仪表
 
联系我们

地址:无锡北塘区凤翔北路33-6号
电话:0510-85886598 82328671
销售QQ:2905045712  
技术QQ:1870947388
销售经理QQ:2468412893
销售经理手机:
15861670938
常州分公司电话:0519-88197617
传真:0510-85886598 82328671
技术服务:13961787023
邮箱:13961787023@163.com
网址:www.wxsldyb.com
 
产品中心
 
风差压变送器

风压变送器

XYB—0088

适用于空调出风口、风机炉膛进出
口微小压力、差压的测量。

量程:-100~0~1Kpa~100Mpa
精度: 0.5 1.0 1.5
输出:4-20mA
供电:12~30VDC
介质温度:-20~+80℃

风压变送器
概述
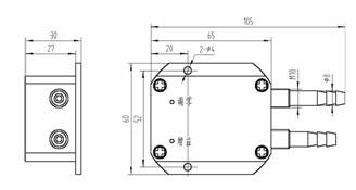
XYB-0088型风差压传感器采用OEM硅压阻式差压芯体组装而成。外壳为铝合金结构。两个压力接口为M10螺纹和旋塞结构(用户可选择压力接口尺寸),可直接安装在测量管道上或通过引压管连接。XYB-0088型有毫伏、标准电压、电流、频率信号输出等可供选择,安装使用方便,广泛应用于锅炉送风、井下通风等电力、煤炭行业压力过程控制领域。

特点
√ 零点、灵敏度温度全范围补偿
√ 抗干扰强、优良的长期稳定性
√ 外形结构多样化
√ 安装简便
√ 质保期:12个月

技术性能
供电电源:12VDC~36VDC(标准24VDC)
输出信号:4~20mA、1~5V、0~10mA、0~20mA、0~5V
量程范围:0~1kPa…600kPa
补偿温度:0~50℃
介质温度:-20~85℃
环境温度:-20~85℃
工作方式:差压
综合精度:0.1、0.3、0.5级可选
零点温度漂移:±0.03FS/℃
灵敏度温度漂移:±0.03FS/℃
过载压力:300%FS

典型结构

 

上一页:电容式差压变送器
下一页:新型电感压力变送器
    
 
版权所有 © 2013无锡赛莱迪仪表有限公司 电话:0510-85886598 82328671 传真:0510-85886598 82328671
常州分公司电话:0519-88197617 联系人:技术服务 13961787023  苏ICP备13011264号-1
地址:无锡市北塘区凤翔北路33-6号 邮箱:13961787023@163.com
技术QQ:1870947388 销售QQ:2905045712  销售经理QQ:2468412893 手机:15861670938
网址:www.wxsldyb.com