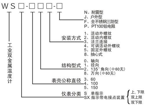
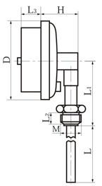
现场显示被测温度并输送开关量信号供控制和报警。 仪表外径:60 100 150 量程:-50~+150℃区间 精度:1.5 2.5 触头功率:10VA 30VA 过程接口:螺纹、法兰、快装 安装方式:径向、轴向