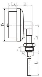
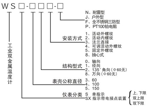
适用于中低温现场检测温度,牢固耐用万向型可任意调节显示方向。 仪表外径:60 100 150 量程:-50~+500℃区间 精度:1.5 2.5 插入深度:75~1500mm 过程连接:螺纹、法兰、卫生型